





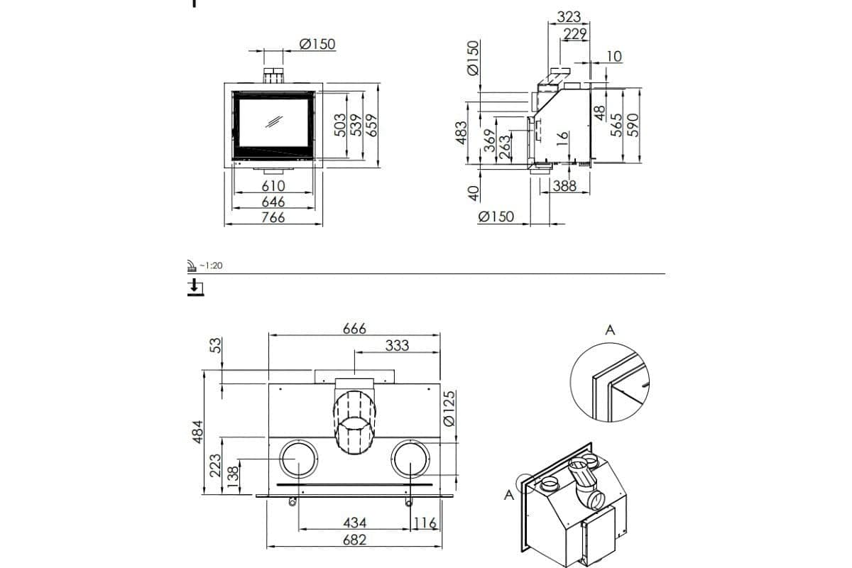
De Spartherm Swing Inzet 61×50 (voorheen Linear M 700 front) is een houtgestookte inzethaard, die dankzij de compacte maatvoering toepasbaar is in de meeste bestaande situaties.
Deze Spartherm Swing is een inzethaard. Inzethaarden worden meestal toegepast in bestaande situaties waar u niet kunt of wilt breken of verbouwen. Wanneer u nu bijvoorbeeld een openhaard heeft, kunt u hier relatief eenvoudig een inzethaard in plaatsen. Doordat de afvoer vanuit de binnenkant van de kachel aangesloten wordt, hoeft er niet veel gebroken te worden aan de bestaande situatie. Natuurlijk is de inzethaard ook in een nieuwe situatie te plaatsen. De inzethaard is over het algemeen ook nog een stuk goedkoper dan een inbouwhaard. Dit komt mede doordat de inzethaard uitgerust is met een draaideur in plaats van met een liftdeur.
De Swing lijn van Spartherm heeft een hoog rendement (energieklasse A+). Wanneer u dus een inzethaard van Spartherm gebruikt in een bestaande openhaard situatie gaat u van hooguit 10% rendement naar meer dan 75%! Dat betekent meer warmteopbrengst uit uw hout, dus zuiniger stoken. Daarnaast is het met een inzethaard veel makkelijker stoken dan met een openhaard en levert het veel minder rommel op. Ook kunt u gewoon gaan slapen wanneer de haard nog aan is of als u even voor een boodschap de deur uit moet en dit kan met een openhaard niet.
Deze Spartherm Swing Inzet 61×50 wordt standaard geleverd met een vierzijdig kader van 60 mm. Optioneel is deze ook te krijgen met een kader van 80 mm of 100 mm.
Product downloads